Räubertreff

Herzlich willkommen in Uli Beyers Angelforum
Aktuelle Zeit: Do 5. Mär 2026, 13:07

Alle Zeiten sind UTC + 1 Stunde [ Sommerzeit ]




Ein neues Thema erstellen Auf das Thema antworten  [ 32 Beiträge ]  Gehe zu Seite Vorherige  1, 2, 3, 4  Nächste
Autor Nachricht
 Betreff des Beitrags: Re: Alumacraft V14 Floor, wir haben es:)
BeitragVerfasst: So 14. Apr 2013, 20:44 
Offline
Benutzeravatar

Registriert: Fr 3. Sep 2010, 13:38
Beiträge: 963
Wohnort: am schönen Möhnesee :)
Und der E.-Motor.

Dateianhang:
Boot_6.jpg
Boot_6.jpg [ 145.93 KiB | 7098-mal betrachtet ]

Dateianhang:
Boot_7.jpg
Boot_7.jpg [ 238.61 KiB | 7098-mal betrachtet ]

Dateianhang:
Boot_8.jpg
Boot_8.jpg [ 241.46 KiB | 7098-mal betrachtet ]

_________________
Petri
Andreas


Bass and Pike fishing bei Faceboock
Ich bei Facebook
Deutscherhechtangler-Club.de


Nach oben
 Profil  
 
 Betreff des Beitrags: Re: Alumacraft V14 Floor, wir haben es:)
BeitragVerfasst: So 14. Apr 2013, 22:33 
Offline
Benutzeravatar

Registriert: Mo 6. Sep 2010, 22:36
Beiträge: 401
Wohnort: KAMEN
Ja, das ist ja super geworden, dann kannst du ja jetzt meins machen. :mrgreen:

_________________
Gruß Ernst

"Letzte Worte eines Hechts: Die Sache hat einen Haken!"


Nach oben
 Profil  
 
 Betreff des Beitrags: Re: Alumacraft V14 Floor, wir haben es:)
BeitragVerfasst: Sa 4. Jan 2014, 23:26 
Offline
Benutzeravatar

Registriert: Fr 3. Sep 2010, 13:38
Beiträge: 963
Wohnort: am schönen Möhnesee :)
Ausbau Stufe 2 :lol:

Endlich habe ich Zeit gefunden, die Elektrik für die Bilgenpumpe und die Bootsbeleucht zu verlegen. Dafür musste wieder das halbe Boot
auseinander geschraubt werden, warum verlegt man die Elektrik nicht sofort :evil: :oops:
Bei der Gelegenheit wurde auch die Batterie in die Bootsmitte verlagert und im vorderen Staufach ein Ablagefach für Doris ihre
Köderboxen eingebaut.

Hier mal ein paar Bilder:
Dateianhang:
Dateikommentar: Batterie in der Bootsmitte
_ASE4640.JPG
_ASE4640.JPG [ 224.06 KiB | 6906-mal betrachtet ]

Dateianhang:
Dateikommentar: Elektrik für die Bilgenpumpe, Toplaterne und Echogeberkabel
_ASE4652.JPG
_ASE4652.JPG [ 203.16 KiB | 6906-mal betrachtet ]

Dateianhang:
Dateikommentar: Elektrik für die Bugbeleuchtung und Stromversorgung Echolot
_ASE4653.JPG
_ASE4653.JPG [ 194.49 KiB | 6906-mal betrachtet ]

_________________
Petri
Andreas


Bass and Pike fishing bei Faceboock
Ich bei Facebook
Deutscherhechtangler-Club.de


Nach oben
 Profil  
 
 Betreff des Beitrags: Re: Alumacraft V14 Floor, wir haben es:)
BeitragVerfasst: Sa 4. Jan 2014, 23:28 
Offline
Benutzeravatar

Registriert: Fr 3. Sep 2010, 13:38
Beiträge: 963
Wohnort: am schönen Möhnesee :)
Dateianhang:
Dateikommentar: vorderes Staufach
_ASE4644.JPG
_ASE4644.JPG [ 175.58 KiB | 6906-mal betrachtet ]

Dateianhang:
Dateikommentar: vorderes Staufach mit Batterie für das Echolot und Beleuchtung
_ASE4645.JPG
_ASE4645.JPG [ 196.85 KiB | 6906-mal betrachtet ]



Nächstes Wochenende werden die Bilgenpumpe und die Schalter mit Sicherungen verbaut.

_________________
Petri
Andreas


Bass and Pike fishing bei Faceboock
Ich bei Facebook
Deutscherhechtangler-Club.de


Nach oben
 Profil  
 
 Betreff des Beitrags: Re: Alumacraft V14 Floor, wir haben es:)
BeitragVerfasst: Sa 4. Jan 2014, 23:46 
Offline
Benutzeravatar

Registriert: Do 2. Sep 2010, 02:02
Beiträge: 6725
Hey Andi,
jetzt muss da nur noch ein starker Motor dran. Und dann ab nach NL! :mrgreen:

_________________
Beste Grüße und ein dickes Petri vom Möhnesee!

Uli Beyer


Nach oben
 Profil  
 
 Betreff des Beitrags: Re: Alumacraft V14 Floor, wir haben es:)
BeitragVerfasst: Sa 4. Jan 2014, 23:51 
Offline
Benutzeravatar

Registriert: Fr 3. Sep 2010, 13:38
Beiträge: 963
Wohnort: am schönen Möhnesee :)
Uli Beyer hat geschrieben:
Hey Andi,
jetzt muss da nur noch ein starker Motor dran. Und dann ab nach NL! :mrgreen:

Genau, 20PS haben auch einen guten Preis. Ich habe schon mit Doris gesprochen.
Den Führerschein machen wir wahrscheinlich noch dieses Jahr und der Motor wird dann nächstes Jahr angeschafft.

_________________
Petri
Andreas


Bass and Pike fishing bei Faceboock
Ich bei Facebook
Deutscherhechtangler-Club.de


Nach oben
 Profil  
 
 Betreff des Beitrags: Re: Alumacraft V14 Floor, wir haben es:)
BeitragVerfasst: So 5. Jan 2014, 13:11 
Offline
Benutzeravatar

Registriert: Fr 3. Sep 2010, 13:38
Beiträge: 963
Wohnort: am schönen Möhnesee :)
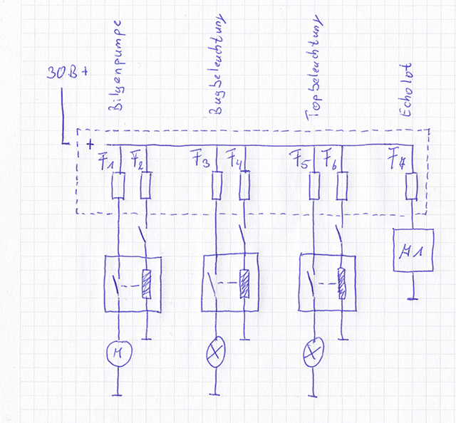
Heute Morgen habe ich mir mal ein paar Gedanken zur Verkabelung gemacht,Ds ist heraus gekommen:
Dateianhang:
Dateikommentar: Schaltplan für Bilgenpumpe, Beleuchtung u. Echolot
Schaltplan-Boot.jpg
Schaltplan-Boot.jpg [ 224.95 KiB | 6878-mal betrachtet ]

_________________
Petri
Andreas


Bass and Pike fishing bei Faceboock
Ich bei Facebook
Deutscherhechtangler-Club.de


Nach oben
 Profil  
 
 Betreff des Beitrags: Re: Alumacraft V14 Floor, wir haben es:)
BeitragVerfasst: Mo 6. Jan 2014, 23:06 
Offline
Benutzeravatar

Registriert: Do 2. Sep 2010, 02:02
Beiträge: 6725
Andreas Sell hat geschrieben:
Uli Beyer hat geschrieben:
Hey Andi,
jetzt muss da nur noch ein starker Motor dran. Und dann ab nach NL! :mrgreen:

Genau, 20PS haben auch einen guten Preis. Ich habe schon mit Doris gesprochen.
Den Führerschein machen wir wahrscheinlich noch dieses Jahr und der Motor wird dann nächstes Jahr angeschafft.

Nächstes Jahr ist in 360 Tagen erst! :o

_________________
Beste Grüße und ein dickes Petri vom Möhnesee!

Uli Beyer


Nach oben
 Profil  
 
 Betreff des Beitrags: Re: Alumacraft V14 Floor, wir haben es:)
BeitragVerfasst: Di 7. Jan 2014, 21:43 
Offline

Registriert: So 24. Okt 2010, 22:35
Beiträge: 269
Ganz ehrlich,für einen 20 PS Motor würde ich keinen Führerschein machen,
Da würde ich entweder auf 5 PS und Führerschein verzichten,oder einen Führerschein machen
und stärkeren Motor kaufen.

_________________
mfg basti


Nach oben
 Profil  
 
 Betreff des Beitrags: Re: Alumacraft V14 Floor, wir haben es:)
BeitragVerfasst: Di 7. Jan 2014, 22:11 
Offline
Benutzeravatar

Registriert: Fr 3. Sep 2010, 13:38
Beiträge: 963
Wohnort: am schönen Möhnesee :)
basti hat geschrieben:
Ganz ehrlich,für einen 20 PS Motor würde ich keinen Führerschein machen,
Da würde ich entweder auf 5 PS und Führerschein verzichten,oder einen Führerschein machen
und stärkeren Motor kaufen.

Ans Boot dürfen max. 20PS gehängt werden. In Holland darf ich ohne Fs nicht
mit dem Boot ins gleiten kommen. Deshalb 20PS. Wenn ich 15PS nehmen würde, würde
ich ca. 350€ sparen.

_________________
Petri
Andreas


Bass and Pike fishing bei Faceboock
Ich bei Facebook
Deutscherhechtangler-Club.de


Nach oben
 Profil  
 
Beiträge der letzten Zeit anzeigen:  Sortiere nach  
Ein neues Thema erstellen Auf das Thema antworten  [ 32 Beiträge ]  Gehe zu Seite Vorherige  1, 2, 3, 4  Nächste

Alle Zeiten sind UTC + 1 Stunde [ Sommerzeit ]


Wer ist online?

Mitglieder in diesem Forum: 0 Mitglieder und 1 Gast


Du darfst keine neuen Themen in diesem Forum erstellen.
Du darfst keine Antworten zu Themen in diesem Forum erstellen.
Du darfst deine Beiträge in diesem Forum nicht ändern.
Du darfst deine Beiträge in diesem Forum nicht löschen.
Du darfst keine Dateianhänge in diesem Forum erstellen.

Suche nach:
cron
Powered by phpBB © 2000, 2002, 2005, 2007 phpBB Group
Deutsche Übersetzung durch phpBB.de